bonjour je suis de retour
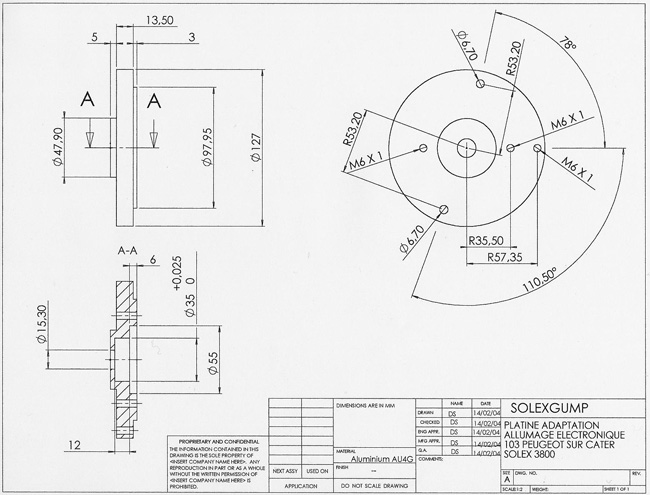
je suis a la recherche de plan pour faire des platine pour allumage ducati de mbk a monter sur carter d'origine
pour être bien d"accord il faut empiler dans cette ordre
-carter moteur
-cloche embrayage
-platine adaptation
-allumage
car la platine que j'ai je ne peut pas la monter car en la montant le roulement sur force sur mon vilo et le pousse contre le carter latéral.
voila
si quelqu'un a ça en stock et des explication
merci


