Recherche avancée
  • Accueil
  • Forum
  • Garage
  • Blogs
  • Photos
  • Videos
  • Aide
  • Index du forum ‹ Préparation Mécanique Solex ‹ Préparation mécanique base origine
  • Modifier la taille de la police
  • Imprimer le sujet
  • FAQ
  • Membres
  • Connexion

Tutos platine allumage

Origine | Origine Amélioré | Promotion
Répondre
4 messages • Page 1 sur 1

Tutos platine allumage

Messagede Stephane » 07 Sep 2006, 14:51

Dans le but de faire un tutos OA et promo , qui aurait le plan d'un platine d'allumage 103 ou eq. pour carter d'origine.

Je ne pense pas que ce plan soit top secret et je souhaite le diffuser sur le site pour les nouveaux.

:merci: de vos reponses nombreuses. :mrgreen:
Stéphane
Avatar de l’utilisateur
Stephane
Web Team
Web Team
 
Messages: 1925
Inscription: 31 Aoû 2005, 22:32
Localisation: Dans le B1G M4C

1998 SP-Prototype Cyl. Polini Liquide 4 Tr
Haut

Messagede mjuille » 09 Sep 2006, 19:47

J'avais, dans le temps, copié la platine tabouret, je peux mesurer et refaire un plan si tu veux.
Il faut aussi le cone !!!

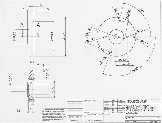
Sinon en navigant sur le web j'ai trouvé un plan de solex gump :
Image
mjuille
Passionné du Solex
Passionné du Solex
 
Messages: 60
Inscription: 22 Avr 2006, 21:53
Haut

Messagede momoy » 08 Nov 2006, 14:44

qq1 a le meme pour un allumage de 51
MTS: Momoy Team Solex
Avatar de l’utilisateur
momoy
Grand malade du Solex , irrécupérable
Grand malade du Solex , irrécupérable
 
Messages: 2910
Inscription: 23 Aoû 2006, 14:55
Localisation: Bressuire 79

2007 Prototype Cyl. Origine Air 3 Tr
Haut

Messagede guiguisolex » 17 Nov 2006, 21:29

:D

Bonjour

Moi j'ai un allumage 103 gros cône qui se monte sans cone d'adaptation.

Ca peut marcher avec cette platine????
family team 101 Super Proto

SOLEX CLUB TARBAIS
Avatar de l’utilisateur
guiguisolex
Rêve la nuit de Solex
Rêve la nuit de Solex
 
Messages: 1947
Inscription: 16 Fév 2006, 13:22
Localisation: Annecy

2004 Prototype Cyl. Origine Air 4 Tr
Haut


Répondre
4 messages • Page 1 sur 1

Retourner vers Préparation mécanique base origine

Qui est en ligne

Utilisateurs parcourant ce forum: Aucun utilisateur enregistré et 23 invités

  • Index du forum
  • L’équipe du forum • Supprimer les cookies du forum • Heures au format UTC + 1 heure
Powered by phpBB © 2000, 2002, 2005, 2007 phpBB Group
Traduction par: phpBB-fr.com